';
Steelwork European -> UPE Channels With Parallel Flanges
-

UPE 100 -

UPE 120 -

UPE 140 -

UPE 160 -

UPE 180 -

UPE 200 -

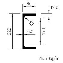
UPE 220 -

UPE 240 -

UPE 270 -

UPE 300 -

UPE 330 -

UPE 360 -

UPE 400 -

UPE 80